現貨特價供應德國Rexroth力士樂比例方向閥4WREE6E32-2X/G24K31/A1V
比例方向閥R900933480 比例方向閥4WREE6E32-2X/G24K31/A1V 比例方向閥4WREE6E32-2X/G24K31/A1V
比例方向閥R900933480 比例方向閥4WRE6W32-2X/G24K4/V 比例方向閥4WRE6W32-2X/G24K4/V
比例方向閥R900933480 比例方向閥4WRE6W32-2X/G24K4/V 比例方向閥4WRE6W32-2X/G24K4/V


力士樂Rexroth比例方向閥4WREE6E16-2X/G24K31/A1V-655描述:
品牌:力士樂Rexroth
訂貨號:R900907114
型號:4WREE6E32-2X/G24K31/A1V
規格:6通經
系列:2X
最高工作壓力 315 bar
最大流量 80 L/min (NS6)
最大流量 180 L/min (NS6)
重量:1.8.4kg
力士樂Rexroth比例方向閥簡介:
型號:4WRE 和 4WREE 比例方向閥,直動式,有電位置反饋
規格:6和10
安裝面按ISO 4401
控制流量的方向和大小
比例電磁鐵操作
對中彈簧控制閥芯
不同閥芯可遮蓋
集成控制電氣元件(OBE)用于4WREE型
力士樂Rexroth比例方向閥特點:
*直控式比例換向閥可以控制液流的方向和大小
*閥的控制通過帶中心螺紋的比例電磁鐵實現,線圈可單獨拆卸
*帶電反饋
*板式連接結構 孔型符合:DIN 24 340 , A 型,ISO4401和CETOP-RP 121 H
*控制閥芯由彈簧對中
*4WREE型帶內置放大器,接口形式為A1或F1
*4WRE型使用的放大器:
*數字式放大器VT-VRPD-2-1X/V0/0
*模擬式放大器VT-VRPA2-,-1X
力士樂Rexroth比例方向閥工作原理:二位四通和三位四通比例方向閥為直控,板式結構;由比例電磁鐵操作,比例電磁鐵帶中心螺紋,線圈可單獨拆卸,電磁鐵的控制可通過外部放大器(WRE型)或內置的放大器(WREE型)
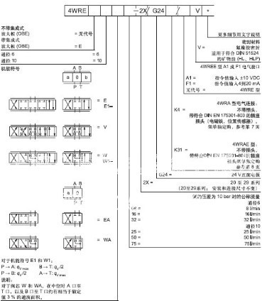
舉例型號:4WREE10E75-2X/G24K31/A1V
4WRE →直控式比例換向閥,板式結構
E →帶內置放大器(無E可通過連接外部放大器)
10 → 10通經(也有6通經等)
E →機能符號(也有E1-、V、W、W1-、EA、WA等)
75 →閥的壓差為10bar時的額定流量(NS10) 75 L/min (也有(NS6)08、16、32,(NS10)25、50、75等)
2X →20至29系列(20至29:安裝和連接尺寸不變)
G24 →24V直流電源
K31 →帶符合E DIN 43 563-AM6-3的插座,不帶插頭 插頭 需單獨訂貨(K4指帶符合DIN 43 650-AM2的插座 不帶插頭)
A1 →WREE型A1或F1接口:給定值輸入±10 V(F1=給定值 輸入4至20mA)
V →氟橡膠矩形密封圈 符合DIN 51 524 標準的液壓油 (HL,HLP)
上海心雨機電設備有限公司位于上海市嘉定區左岸香堤。專注銷售歐美工業液壓氣動元件、傳感器件、儀器儀表、工控自動化控制及技術服務、售后維修十余年,是全國工業傳動流體自動化行業資深的最佳誠信經銷代理商。主營產品涉及液壓泵閥、可編程控制器PLC、驅動模塊、工控自動化產品、伺服電機、數控傳動、傳感器系列、電源、氣動元件、工業儀器儀表。主要經營歐美進口品牌及產品如下:
德國力士樂Rexroth工業液壓元件:電磁換向閥、電液換向閥、安全溢流閥、減壓閥、調節閥、節流閥、單向閥、球閥、方向座閥、流量控制閥、比例閥、伺服閥、截止閥、壓力繼電器、比例放大板、放大器,軸向柱塞泵、葉片泵、齒輪泵等;
德國力士樂Rexroth氣動元件:氣缸、氣動電磁閥、氣動延時閥、節流閥、閥島、氣源處理器、導軌滑塊、氣動元件等;
德國力士樂Rexroth電子電氣:可編程控制器PLC 、編碼器、計數器、電子元器件-模塊;伺服運動控制:伺服電機、伺服驅動器、伺服控制器、單軸/雙軸逆變器、電源模塊、工控機、通訊模塊、CPU模塊、CNC模塊、PLC模塊及控制單元等;
電磁閥:4WE6、4WE10、4WE16;
電液閥:4WEH10H、4WEH16、4WEH25;
溢流閥:DB、DBW、DBET、DBD、ZDB、Z2DB;
減壓閥:DR6DP、DR10DP、ZDR6、ZDR10、DR-4X、DR-5X;
節流閥:Z2FS6、Z2FS10、Z2FS16、Z2FS22;
單向閥:S10A、S20A、Z1S、Z2S、SL10、SL20、SV10、SV20、RVP;
插裝閥:LC、LFA;
調速閥:2FRM5、2FRM10、2FRM16;
平衡閥:FD12FA、FD12PA、FD12KA、FD16FA;
壓力繼電器:HED8OA、HED8OH、HED8OP;
放大器:VT、0811405...;
比例方向閥:4WRA、4WRAE、4WRE、4WREE、4WREEM、4WRH、4WRZ、4WRZE、4WRKE、4WRBKE、4WS2EM;
高頻響方向閥:4WRPH、4WRPEH、5WRP、5WRPE、4WRREH、4WRP、4WRPE、 4WRP(E)H 、4WRSE、4WRSEH、4WRPNH、 4WRL、4WRLE、4WRVE、4WRGE、4WRL、4WRLE、4WRDE、3WRCBH;,
伺服系統:HAS、HNL、HCS、HNL;
柱塞泵:A4VSO、A10VSO、A2FO;
定量馬達:A2FM,A4FM,A10FM/E;
齒輪泵:0510、AZPF;
葉片泵:PV7;
伺服電機:MKD、MSK、MAD;
伺服驅動器;DKC HCS HDS HAS HMD HMS HNL CML CMS CSB;
意大利阿托斯ATOS液壓元件:電磁閥DHI、減壓閥RZGO、溢流閥KM、壓力流量閥QVHZO、插裝閥LIMZA、比例控制閥DHQ、伺服比例閥DLHZA、DLHZO、節流閥HQ、順序閥HS、壓力補償器HC、放大器E-BM、E-ME、E-K、E-MI、E-R,柱塞泵PVPC、葉片泵PFE、齒輪泵PFG、雙聯葉片泵PFED、PFEX等;
意大利迪普馬DUPLOMATIC液壓元件:電磁換向閥DS3、DS5、MD1L,電液換向閥E*P4、DSP7 MVR、DSP10,比例溢流閥VR、VD、MVR,壓力補償器PCK、壓力繼電器PSP,壓力傳感器PTH,電液伺服閥DXJ,平衡閥ZC、插頭式放大器EPC,導軌式放大器EPA,歐板式放大器UEIK,齒輪泵IGP、GP、1P、葉片泵PVA、PVD、PVE、DFP、DPF,柱塞泵VPPM/VPPL/VPPM系列等;
美國Parker派克液壓氣動元件:電磁閥D1F、D1V、D41F、D91F插裝閥CE、柱塞泵PV、齒輪泵P37X、液壓泵PMO等;
伊頓EATON VICKERS威格士液壓泵閥;電磁閥DG4V、DG4V、DG5V、DG5S,比例閥EBG、EFBG,溢流閥HRF,CG5V、液壓泵PVXS、柱塞泵PVQ、PVB、PVH、PFB、TE0、TG0、葉片泵2520V、3520V、3525V、4520V、4525V、4535V等;
日本YUKEN油研泵閥優勢現貨系列(電磁閥換向閥、壓力開關、柱塞泵、齒輪泵、比例閥、截止閥、開關閥等),
美國本特利Bently工業監測系列:3300XL 8mm、11mm、25mm電渦流傳感器系統:傳感器探頭、前置器、延伸電纜、990振動變送器、991軸位移變送器、330500壓電式速度傳感器、330505低頻速度傳感器、9200速度/加速度傳感器、3500硬件儀表框架、監測模塊、接口模塊、電源模塊、轉速表、TK-3E校驗儀等)
奧地利貝加萊B&R工業自動化備品備件:伺服驅動器、觸摸屏、工控機、CPU模塊、總線控制器、X20\2003\2005\2010系統中各類功能模塊等;
西門子Siemens優勢主打系列(6SN、6FC、6FX、S7200、電機1FK、S7300、S7400、LOGO 低壓電器、軟啟、熔斷器、電源模塊、CPU、數控傳動),
德國愛爾泰克Airtec、費斯托氣動元件,美國ASCO氣動元件,SMC氣動元件,倍加福編碼器、傳感器,川崎K3V泵 ,賀德克液壓元件、丹佛斯壓力變送器等工業液壓氣動元件、傳感器件及電控備件;
本公司鄭重承諾:所有經銷產品均為原裝進口,全新正品!絕無假冒偽劣產品!品牌質量保證、售后誠信服務、專業銷售、薄利多銷。上海心雨機電信譽好,口碑佳,價格低,貨期短,常規部分備有現貨,方便用戶應急需要,相信我們專業、標準、周到、細致的服務一定會使你滿意。廣大新老客戶來電垂詢選購!
聯系人:田先生
QQ:894330228
電話:021-60510270
傳真:021-55032832
手機:15021186744(微信同步)
郵箱:894330228@qq.com
網址:http://www.yxkepu.cn
地址:上海市嘉定區德富路1211號左岸香堤605室
郵編:201801
力士樂Rexroth比例方向閥訂貨號/型號對應表:
R900907114 4WREE6E32-2X/G24K31/A1V
R900786052 4WREEM6E04J-2X/G24K34/B6V-735
R900783449 4WREE6W9-32-2X/G24K31/A1V
R901130447 4WREE6E16-2X/G24K31/A1V-660
R900617253 4WREEM6E32J-2X/G24K34/B6V-687
R901161258 4WREE6E32-2X/G24K31/A1V-204
R900958777 4WRE6W00-1X/24K4/M-268
R900487026 4WRE6W32-1X/24Z4/M
R901125908 4WREF6E32-2X/V-24PA1
R901125120 4WREE6V08-2X/G24K31/A1V-742
R901132085 4WREQ6Q5-32-2X/V4A-24PF60
R901131081 4WREQ6V08-2X/V8F-24CA60
R900965071 4WREE6W1-08-2X/G24K31/F1V
R900964934 4WREE6WA32-2X/G24K31/F1V
R900964078 4WREE6EB32-2X/G24K31/F1V
R900962181 4WREE6E32-2X/G24K31/A1V-655
R901136691 4WREQ6Q5-08-2X/V5C-24PF60
R901135153 4WREE6V08-2X=G24K31/F1V-876
R901116919 4WREE6Q5-32-2X/G24K31/A1V=DE
R900948412 4WREE6X00-2X/G24K31/F1V-652
R901085278 4WREE6V32-2X/G24K31/A1V-742
R901081738 4WREQ6Q5-08-2X/V4C-24PA60
R901080574 4WREQ6V32-2X/V4C-24CA60
R901078764 4WREF6W32-2X/V-24CA1
R901078404 4WREQ6Q5-32-2X/VBF-24CA60
R901078403 4WREQ6Q5-16-2X/VBF-24CA60
R901078402 4WREQ6Q5-08-2X/VBF-24CA60
R901078399 4WREQ6Q5-08-2X/V8F-24CA60
R901077950 4WREQ6Q5-16-2X/V00-24CF69
R901077667 4WREQ6Q5-16-2X/V00-24CA69
R901076729 4WREE6V32-2X=G24K31/A1V-826
R901075515 4WRE6W32-1X/24K4/M-298
R901072924 4WREQ6Q5-16-2X/V8C-24CF60
R901071987 4WREE6V16-2X=G24K31/A1V-826
R901071985 4WREE6V08-2X=G24K31/A1V-826
R901068955 4WREE6V16-2X/G24K31/A1V-826
R901113540 4WREE6Q00-2X/G24K31/A1V-598=DE
R901091639 4WREE6V16-2X/G24K31/F1V-876
R901109650 4WREE6V32-2X/G24K31/F1V-876
R901107901 4WREE6V16-2X=G24K31/F1V-876
R901089537 4WREQ6Q5-16-2X/V8C-24PA60
R901103279 4WREQ6Q5-08-2X/V4C-24CA60
R901102113 4WREQ6V16-2X/V5F-24CF60
R901102112 4WREQ6Q5-16-2X/V5F-24CF60
R901083525 4WREQ6Q5-16-2X=V8C-24CF60
R901095159 4WREE6Q00-2X/G24K31/A1V-598
R901063172 4WREE6EB08-2X/G24K31/F1V
R900978168 4WREE6E04-2X/G24K31/F1V
R900976811 4WREE6E1-08-2X/G24K31/F1V
R901059709 4WREQ6Q5-32-2X/V8C-24CA60
R901046128 4WREE6V32-2X/G24K31/A1V-826
R901037664 4WREEM6W1-32-2X/G24K34/B6V
R901037662 4WREEM6E1-32-2X/G24K34/B6V
R901054625 4WREQ6Q5-32-2X/V8F-24CA60
R901054623 4WREQ6Q5-16-2X/V8F-24CA60
R901054621 4WREQ6Q5-16-2X/V5F-24CA60
R900933480 4WRE6W32-2X/G24K4/V
R900933478 4WRE6E08-2X/G24K4/V
R900246943 4WRE6V04-2X/G24K4/V
R900943348 4WRE6W16-1X/24K4/V
R900551280 4WRE6W1-08-1X/24K4/M
R900961125 4WRE6WA08-1X/24K4/M
R900960668 4WRE6E1-08-1X/24K4/M
R900944121 4WRE6W16-2X/G24K4/V
R900928015 4WRE6E1-32-1X/24K4/M
R900933480 4WRE6W32-2X/G24K4/V
R900906728 4WRE6W1-32-1X/24K4/M
R900967564 4WREE6W04-2X/G24K31/F1V
R900933476 4WREE6W1-32-2X/G24K31/F1V
R900929205 4WREE6W2-32-2X/G24K31/A1V
R900928726 4WREE6E08-2X/G24K31/F1V
R900928553 4WREE6E1-32-2X/G24K31/A1V
R900937065 4WREE6W1-16-2X/G24K31/F1V
R900246858 4WREEM6E08-2X/G24K34/B6V
R900926997 4WREE6WA32-2X/G24K31/A1V
R900246469 4WREE6W04-2X/G24K31/A1V
R900926366 4WRE6E32-2X/G24K4/V
R900925733 4WREE6E32-2X/G24K31/F1V
R900617482 4WREE6E1-16-2X/G24K31/F1V
R900924283 4WREE6W08-2X/G24K31/F1V
R900911004 4WREE6W32-2X/G24K31/A1V
R900909367 4WREE6V08-2X/G24K31/A1V
R900907440 4WREE6V16-2X/G24K31/A1V
R900907114 4WREE6E32-2X/G24K31/A1V
R900929889 4WREE6EA32-2X/G24K31/F1V
R900929827 4WREE6W1-08-2X/G24K31/A1V
R900926997 4WREE6WA32-2X/G24K31/A1V
R900926747 4WREE6V32-2X/G24K31/F1V
R900932498 4WREE6EB32-2X/G24K31/A1V
R900931195 4WREE6V1-16-2X/G24K31/A1V
R900925733 4WREE6E32-2X/G24K31/F1V
R900925657 4WREE6W16-2X/G24K31/A1V
R900920567 4WREE6E16-2X/G24K31/A1V
R900709937 4WREE6V1-32-2X/G24K31/F1V
R900924283 4WREE6W08-2X/G24K31/F1V
R900923000 4WREE6W08-2X/G24K31/A1V
R900921427 4WREE6V08-2X/G24K31/F1V
R900783105 4WRE6EA08-2X/G24K4/V
R900781690 4WREEM6W16-2X/G24K34/B6V
R900780867 4WREEM6E08J-2X/G24K34/B6V-735
R900778356 4WREEM6E04-2X/G24K34/B6V
R900778355 4WREEM6W1-16-2X/G24K34/B6V
R900778354 4WREEM6E1-16-2X/G24K34/B6V
R900778032 4WREEM6E16J-2X/G24K34/B6V-735
R900752799 4WRE6EA32-2X/G24K4/V
R900776804 4WREE6EB16-2X/G24K31/A1V
R900761496 4WREEM6E32J-2X/G24K34/B6V-735
R900761481 4WREE6W9-16-2X/G24K31/A1V
R900915686 4WREE6E1-16-2X/G24K31/A1V
R900914841 4WREE6V1-32-2X/G24K31/A1V
R900913433 4WREE6EA16-2X/G24K31/A1V
R900913359 4WREE6W1-32-2X/G24K31/A1V
R900912521 4WREE6EA32-2X/G24K31/A1V
R900912156 4WREE6E08-2X/G24K31/A1V
R900912154 4WREE6Q2-32-2X/G24K31/A1V
R900912150 4WREE6Q2-16-2X/G24K31/A1V
R900912149 4WREE6Q2-08-2X/G24K31/A1V
R900911681 4WREE6V32-2X/G24K31/A1V
R900911004 4WREE6W32-2X/G24K31/A1V
R900909367 4WREE6V08-2X/G24K31/A1V
R900907440 4WREE6V16-2X/G24K31/A1V
R900907114 4WREE6E32-2X/G24K31/A1V
R900786052 4WREEM6E04J-2X/G24K34/B6V-735
R900783449 4WREE6W9-32-2X/G24K31/A1V
R901130447 4WREE6E16-2X/G24K31/A1V-660
R900617253 4WREEM6E32J-2X/G24K34/B6V-687
R901161258 4WREE6E32-2X/G24K31/A1V-204
R900958777 4WRE6W00-1X/24K4/M-268
R900487026 4WRE6W32-1X/24Z4/M
R901125908 4WREF6E32-2X/V-24PA1
R901125120 4WREE6V08-2X/G24K31/A1V-742
R901132085 4WREQ6Q5-32-2X/V4A-24PF60
R901131081 4WREQ6V08-2X/V8F-24CA60
R900965071 4WREE6W1-08-2X/G24K31/F1V
R900964934 4WREE6WA32-2X/G24K31/F1V
R900964078 4WREE6EB32-2X/G24K31/F1V
R900962181 4WREE6E32-2X/G24K31/A1V-655
R901136691 4WREQ6Q5-08-2X/V5C-24PF60
R901135153 4WREE6V08-2X=G24K31/F1V-876
R901116919 4WREE6Q5-32-2X/G24K31/A1V=DE
R900948412 4WREE6X00-2X/G24K31/F1V-652
R901085278 4WREE6V32-2X/G24K31/A1V-742
R901081738 4WREQ6Q5-08-2X/V4C-24PA60
R901080574 4WREQ6V32-2X/V4C-24CA60
R901078764 4WREF6W32-2X/V-24CA1
R901078404 4WREQ6Q5-32-2X/VBF-24CA60
R901078403 4WREQ6Q5-16-2X/VBF-24CA60
R901078402 4WREQ6Q5-08-2X/VBF-24CA60
R901078399 4WREQ6Q5-08-2X/V8F-24CA60
R901077950 4WREQ6Q5-16-2X/V00-24CF69
R901077667 4WREQ6Q5-16-2X/V00-24CA69
R901076729 4WREE6V32-2X=G24K31/A1V-826
R901075515 4WRE6W32-1X/24K4/M-298
R901072924 4WREQ6Q5-16-2X/V8C-24CF60
R901071987 4WREE6V16-2X=G24K31/A1V-826
R901071985 4WREE6V08-2X=G24K31/A1V-826
R901068955 4WREE6V16-2X/G24K31/A1V-826
R901113540 4WREE6Q00-2X/G24K31/A1V-598=DE
R901091639 4WREE6V16-2X/G24K31/F1V-876
R901109650 4WREE6V32-2X/G24K31/F1V-876
R901107901 4WREE6V16-2X=G24K31/F1V-876
R901089537 4WREQ6Q5-16-2X/V8C-24PA60
R901103279 4WREQ6Q5-08-2X/V4C-24CA60
R901102113 4WREQ6V16-2X/V5F-24CF60
R901102112 4WREQ6Q5-16-2X/V5F-24CF60
R901083525 4WREQ6Q5-16-2X=V8C-24CF60
R901095159 4WREE6Q00-2X/G24K31/A1V-598
R901063172 4WREE6EB08-2X/G24K31/F1V
R900978168 4WREE6E04-2X/G24K31/F1V
R900976811 4WREE6E1-08-2X/G24K31/F1V
R901059709 4WREQ6Q5-32-2X/V8C-24CA60
R901046128 4WREE6V32-2X/G24K31/A1V-826
R901037664 4WREEM6W1-32-2X/G24K34/B6V
R901037662 4WREEM6E1-32-2X/G24K34/B6V
R901054625 4WREQ6Q5-32-2X/V8F-24CA60
R901054623 4WREQ6Q5-16-2X/V8F-24CA60
R901054621 4WREQ6Q5-16-2X/V5F-24CA60
R901054620 4WREQ6Q5-08-2X/V5F-24CA60
R901054619 4WREQ6Q5-16-2X/V8C-24CA60
R901054220 4WREQ6V32-2X/V5C-24CF60
R900969483 4WREE6W32-2X/G24K31/A1V=DE
R901036556 4WRE6V16-2X/G24K4/V-822
R901032028 4WRE6V08-2X/G24K4/V-822
R901031274 4WRE6E04-2X/G24K4/V
R900976331 4WREE6V04-2X/G24K31/F1V
R901011624 4WRE6WA32-2X/G24K4/V
R900979114 4WRE6E00-1X/24K4/M-119
R901005786 4WREEM6W32-2X/G24K34/B6V
R900973482 4WREE6WA08-2X/G24K31/A1V
R900973289 4WREE6EA16-2X/G24K31/F1V
R900950317 4WREE6EA08-2X/G24K31/A1V
R900950416 4WREE6W16-2X/G24K31/F1V
R900949899 4WREE6V1-16-2X/G24K31/F1V
R900949863 4WREE6V1-08-2X/G24K31/F1V
R900949222 4WREE6E1-32-2X/G24K31/F1V
R900941623 4WREE6E16-2X/G24K31/F1V
R900941264 4WRE6W08-2X/G24K4/V
R900940561 4WREE6V16-2X/G24K31/F1V
R900939627 4WREE6W1-16-2X/G24K31/A1V
R900938420 4WREE6E04-2X/G24K31/A1V
R900937147 4WREE6EA08-2X/G24K31/F1V
R900937065 4WREE6W1-16-2X/G24K31/F1V
R900936357 4WREE6V04-2X/G24K31/A1V
R900935426 4WREE6V1-08-2X/G24K31/A1V
R900707192 4WREEM6E32-2X/G24K34/B6V
R900246793 4WREE6W32-2X/G24K31/F1V
R900965071 4WREE6W1-08-2X/G24K31/F1V
R900962181 4WREE6E32-2X/G24K31/A1V-655
R900940561 4WREE6V16-2X/G24K31/F1V
R900967483 4WRE6M16-1X/24K4/M
R900966805 4WRE6V1-16-2X/G24K4/V
R900926366 4WRE6E32-2X/G24K4/V
R900933044 4WRE6W1-32-1X/24K4/V
R900930845 4WRE6W1-16-1X/24K4/M
R900930498 4WRE6V32-1X/24K4/M
R900920151 4WRE6W2-32-1X/24K4/M
R900916331 4WRE6WA32-1X/24K4/M
R900916330 4WRE6WA16-1X/24K4/M
R900916329 4WRE6V16-1X/24K4/M
R900916328 4WRE6V08-1X/24K4/M
R900916327 4WRE6EA32-1X/24K4/M
R900916326 4WRE6E1-16-1X/24K4/M
R900711783 4WRE6E00-2X/G24K4/V-712
R900933480 4WRE6W32-2X/G24K4/V
R900933478 4WRE6E08-2X/G24K4/V
R900246943 4WRE6V04-2X/G24K4/V
R900943348 4WRE6W16-1X/24K4/V
R900551280 4WRE6W1-08-1X/24K4/M
R900961125 4WRE6WA08-1X/24K4/M
R900960668 4WRE6E1-08-1X/24K4/M
R900944121 4WRE6W16-2X/G24K4/V
R900928015 4WRE6E1-32-1X/24K4/M
R900933480 4WRE6W32-2X/G24K4/V
R900906728 4WRE6W1-32-1X/24K4/M
R900960226 4WRE6W00-1X/24K4/M-119
R900960160 4WRE6WA16-1X/24K4/M-303
R900959689 4WRE6W3-32-1X/24K4/M
R900933478 4WRE6E08-2X/G24K4/V
R900954098 4WRE6V16-2X/G24K4/V
R900954092 4WRE6E16-2X/G24K4/V
R900968149 4WRE6E1-08-2X/G24K4/V
R900953729 4WRE6W1-08-2X/G24K4/V
R900388681 4WRE6W08-1X/24K4/M
R900385562 4WRE6W16-1X/24K4/M
R900379046 4WRE6E08-1X/24K4/V
R900377131 4WRE6E16-1X/24K4/M
R900377130 4WRE6E08-1X/24K4/M
R900361147 4WRE6EA08-1X/24K4/M
R900346806 4WRE6E32-1X/24K4/M
R900970875 4WRE6E32-1X/24K4/M-254
R900720198 4WRE6EA16-2X/G24K4/V
R900961534 4WRE6V1-08-1X/24K4/M
R900965434 4WRE6WA16-2X/G24K4/V
R900912156 4WREE6E08-2X/G24K31/A1V
R900974914 4WREE6E32-2X/G24K31/A1V-280
R900974247 4WREE6WA16-2X/G24K31/A1V
R900974228 4WREE6E08-2X/G24K31/A1V-280
R900246793 4WREE6W32-2X/G24K31/F1V
R900246618 4WREEM6E16-2X/G24K34/B6V
R900912156 4WREE6E08-2X/G24K31/A1V
R900954099 4WRE6V32-2X/G24K4/V
R900954098 4WRE6V16-2X/G24K4/V
R900954097 4WRE6V08-2X/G24K4/V
R900954096 4WRE6W1-32-2X/G24K4/V
R900954095 4WRE6W1-16-2X/G24K4/V
R900954094 4WRE6E1-32-2X/G24K4/V
R900954093 4WRE6E1-16-2X/G24K4/V
R900954092 4WRE6E16-2X/G24K4/V
R900953729 4WRE6W1-08-2X/G24K4/V
R900953026 4WRE6W1-08-1X/24K4/V
R900947410 4WRE6E16-1X/24K4/V
R900947277 4WRE6W1-16-1X/24K4/V
R900946397 4WRE6E00-1X/24K4/M-165
R900945615 4WRE6EA16-1X/24K4/M
R900944924 4WRE6V00-1X/24K4/M-165
R900944121 4WRE6W16-2X/G24K4/V
R900617766 4WREE6WA16-2X/G24K31/F1V
R900617482 4WREE6E1-16-2X/G24K31/F1V
R900950342 4WREE6E16-2X/G24K31/A1V-655
R900950341 4WREE6E08-2X/G24K31/A1V-655
R900975077 4WREEM6E08J-2X/G24K34/B6V-687
R900975075 4WREEM6E16J-2X/G24K34/B6V-687
規格:10
R901002587 4WREE10WA75-2X/G24K31/A1V
R901028415 4WREE10R3-75-2X/G24K31/A1V
R900617269 4WREE10V75-2X/G24K31/F1V
R900955406 4WRE10W64-1X/24K4/V
R900955393 4WRE10WA64-1X/24K4/M
R900954117 4WRE10V75-2X/G24K4/V
R900954116 4WRE10V50-2X/G24K4/V
R900954115 4WRE10V25-2X/G24K4/V
R900954114 4WRE10W1-75-2X/G24K4/V
R900954113 4WRE10W1-50-2X/G24K4/V
R900954107 4WRE10W75-2X/G24K4/V
R900954106 4WRE10W50-2X/G24K4/V
R900954105 4WRE10W25-2X/G24K4/V
R900954104 4WRE10E1-75-2X/G24K4/V
R900954103 4WRE10E1-50-2X/G24K4/V
R900954102 4WRE10E75-2X/G24K4/V
R900954101 4WRE10E50-2X/G24K4/V
R900954100 4WRE10E25-2X/G24K4/V
R900953102 4WREE10W25-2X/G24K31/F1V
R900949106 4WRE10W00-1X/24K4/M-173
R900953025 4WRE10E2-64-1X/24K4/M-402
R900952239 4WREE10E75-2X/G24K31/A1V-655
R900951018 4WRE10EA32-1X/24K4/M
R900950902 4WREE10V1-75-2X/G24K31/A1V
R900949806 4WREE10W50-2X/G24K31/F1V
R900949708 4WRE10W00-1X/24K4/M-174
R900950365 4WREE10V1-25-2X/G24K31/A1V
R900948360 4WREE10W75-2X/G24K31/F1V
R900947990 4WRE10W2-32-1X/24K4/M
R900940191 4WREE10EA75-2X/G24K31/A1V
R900939866 4WREE10EA50-2X/G24K31/A1V
R900947314 4WRE10W64-1X/24K4/M-646
R900947313 4WRE10E64-1X/24K4/M-646
R900582331 4WRE10E16-1X/24K4/M
R900576935 4WRE10E32-1X/24K4/M-402
R900461236 4WRE10W1-16-1X/24K4/M
R900549113 4WRE10E1-32-1X/24K4/M
R901127151 4WREE10W25-2X/G24K31/A1V-280
R900943804 4WREE10V1-50-2X/G24K31/A1V
R900943381 4WRE10W2-64-1X/24K4/M
R900703908 4WREE10E1-50-2X/G24K31/F1V
R901130450 4WREE10W1-75-2X/G24K31/A1V-660
R900943272 4WRE10EA64-1X/24K4/M-120
R900943094 4WREE10E50-2X/G24K31/F1V
R900942574 4WRE10E64-1X/24K4/M-402
R900942153 4WRE10E16-1X/24K4/V
R900963884 4WRE10E1-16-1X/24K4/M
R900963483 4WREE10WA75-2X/G24K31/F1V
R900962497 4WRE10E2-64-1X/24K4/M
R900962405 4WREE10W1-25-2X/G24K31/F1V
R900965197 4WRE10WA16-1X/24K4/M
R900965185 4WREE10W1-50-2X/G24K31/F1V
R901135118 4WREE10W75-2X/G24K31/A1V-280
R901131077 4WREQ10V25-2X/V8F-24CA60
R900961301 4WRE10EA32-1X/24K4/M-120
R900958851 4WRE10EA64-1X/24K4/M-193
R901066667 4WREE10E1-25-2X/G24K31/F1V
R901066046 4WREE10Q5-50-2X/G24K31/A1V
R901063517 4WREF10E3-50-2X/V-24CA1
R901090746 4WREEM10E1-75-2X/G24K34/B6V
R901083029 4WREEM10W1-75-2X/G24K34/B6V
R901086329 4WRE10WA50-2X/G24K4/V
R901071989 4WREE10V75-2X=G24K31/A1V-826
R901071988 4WREE10V50-2X=G24K31/A1V-826
R901084068 4WREEM10R3-75-2X/G24K34/B6V
R901071941 4WRE10E3-75-2X/G24K4/V-660
R900958157 4WREE10E1-25-2X/G24K31/A1V
R900957259 4WREE10E50-2X/G24K31/A1V-655
R900933073 4WREE10E25-2X/G24K31/A1V
R900956574 4WREE10E25-2X/G24K31/F1V
R901112728 4WREE10E25-2X/G24K31/A1V-280
R901008709 4WREE10E25-2X/G24K31/A1V-742
R900943094 4WREE10E50-2X/G24K31/F1V
R900927231 4WREE10E50-2X/G24K31/A1V
R900957259 4WREE10E50-2X/G24K31/A1V-655
R901126284 4WREE10E50-2X/G24K31/A1V-280
R900952239 4WREE10E75-2X/G24K31/A1V-655
R901100120 4WREE10E75-2X/G24K31/A1V-660
R900927230 4WREE10E75-2X/G24K31/A1V
R900927356 4WREE10E75-2X/G24K31/F1V
R900956470 4WRE10EA64-1X/24K4/V
R900956458 4WREE10W1-25-2X/G24K31/A1V
R901126284 4WREE10E50-2X/G24K31/A1V-280
R901104507 4WREE10W75-2X/G24K31/F1V-742
R901120444 4WREE10V1-75-2X/G24K31/A0V-907
R901113345 4WREE10Q5-50-2X/G24K31/A1V=DE
R901113546 4WREE10Q00-2X/G24K31/A1V-598=DE
R901100120 4WREE10E75-2X/G24K31/A1V-660
R901100118 4WREE10W1-50-2X/G24K31/A1V-660
R901112728 4WREE10E25-2X/G24K31/A1V-280
R901060996 4WREE10WA25-2X/G24K31/F1V
R901057547 4WREQ10Q5-75-2X/VBF-24CA60
R901054635 4WREQ10Q5-75-2X/V8F-24CA60
R901054633 4WREQ10Q5-50-2X/V8F-24CA60
R901054628 4WREQ10Q5-25-2X/V8F-24CA60
R901063131 4WREE10WA50-2X/G24K31/F1V
R901060222 4WREE10V75-2X/G24K31/A1V-826
R901030897 4WRE10WA75-2X/G24K4/V
R901030889 4WREEM10W1-50-2X/G24K34/B6V
R901028415 4WREE10R3-75-2X/G24K31/A1V
R901026320 4WRE10E50-2X/G24K4/V-93
R901026647 4WREE10V75-2X/G24K31/A1V-821
R901024870 4WREE10V1-75-2X/G24K31/F1V
R901017446 4WRE10V1-50-2X/G24K4/V
R901015837 4WRE10E25-2X/G24K4/V-93
R901048036 4WRE10E3-75-2X/G24K4/V
R901036403 4WREEM10E50J-2X/G24K34/B6V-735
R901037424 4WREE10R75-2X/G24K31/A1V
R901008711 4WREE10W25-2X/G24K31/A1V-742
R901008709 4WREE10E25-2X/G24K31/A1V-742
R901008707 4WREEM10W75-2X/G24K34/B6V
R901007660 4WREE10R75-2X/G24K31/F1V-741
R900965492 4WRE10WA64-1X/24K4/V
R900392346 4WRE10W32-1X/24K4/M
R900392345 4WRE10E32-1X/24K4/M
R900392344 4WRE10E64-1X/24K4/M
R900975074 4WREEM10E50J-2X/G24K34/B6V-687
R900978573 4WRE10E1-64-1X/24K4/M-264
R900974227 4WREE10W50-2X/G24K31/A1V-280
R900974152 4WRE10W1-25-2X/G24K4/V
R900976334 4WREE10V1-25-2X/G24K31/F1V
R900971420 4WREE10EA50-2X/G24K31/F1V
R900976330 4WREE10EA75-2X/G24K31/F1V
R900976119 4WREE10W1-75-2X/G24K31/F1V
R900970194 4WRE10E2-32-1X/24K4/M
R900970089 4WREE10E1-75-2X/G24K31/F1V
R900969501 4WREE10W75-2X/G24K31/A1V=DE
R900954114 4WRE10W1-75-2X/G24K4/V
R900954113 4WRE10W1-50-2X/G24K4/V
R900954106 4WRE10W50-2X/G24K4/V
R900954104 4WRE10E1-75-2X/G24K4/V
R900954103 4WRE10E1-50-2X/G24K4/V
R900969351 4WRE10EA75-2X/G24K4/V
R900969321 4WREE10W3-75-2X/G24K31/A1V
R900953102 4WREE10W25-2X/G24K31/F1V
R900949806 4WREE10W50-2X/G24K31/F1V
R900948360 4WREE10W75-2X/G24K31/F1V
R900933076 4WREE10E1-50-2X/G24K31/A1V
R900933073 4WREE10E25-2X/G24K31/A1V
R900927356 4WREE10E75-2X/G24K31/F1V
R900927233 4WREE10W75-2X/G24K31/A1V
R900927232 4WREE10E1-75-2X/G24K31/A1V
R900927231 4WREE10E50-2X/G24K31/A1V
R900927230 4WREE10E75-2X/G24K31/A1V
R900940191 4WREE10EA75-2X/G24K31/A1V
R900967790 4WREE10EA25-2X/G24K31/A1V
R900617269 4WREE10V75-2X/G24K31/F1V
R900608420 4WRE10W3-75-2X/G24K4/V
R900934746 4WRE10W3-32-1X/24K4/M
R900934607 4WRE10E3-64-1X/24K4/M
R900934365 4WRE10E32-1X/24K4/V
R900249502 4WREEM10E75J-2X/G24K34/B6V-687
R900247296 4WREE10WA50-2X/G24K31/A1V
R900246856 4WREEM10E50-2X/G24K34/B6V
R900246617 4WREEM10E75-2X/G24K34/B6V
R900244748 4WREE10W3-75-2X/G24K31/F1V
R900967470 4WRE10E32-1X/24K4/M-120
R900965753 4WRE10EA16-1X/24K4/M-120
R900965507 4WRE10EA64-1X/24K4/M-468
R900924607 4WREE10V75-2X/G24K31/A1V
R900976334 4WREE10V1-25-2X/G24K31/F1V
R900976119 4WREE10W1-75-2X/G24K31/F1V
R900974227 4WREE10W50-2X/G24K31/A1V-280
R900974152 4WRE10W1-25-2X/G24K4/V
R900965185 4WREE10W1-50-2X/G24K31/F1V
R900962405 4WREE10W1-25-2X/G24K31/F1V
R900933474 4WRE10W1-64-1X/24K4/V
R900933473 4WRE10E64-1X/24K4/V
R900933077 4WREE10W1-50-2X/G24K31/A1V
R900933076 4WREE10E1-50-2X/G24K31/A1V
R900933075 4WREE10V25-2X/G24K31/A1V
R900933074 4WREE10W25-2X/G24K31/A1V
R900933073 4WREE10E25-2X/G24K31/A1V
R900931371 4WREE10W50-2X/G24K31/A1V
R900929575 4WRE10W3-64-1X/24K4/M
R900927356 4WREE10E75-2X/G24K31/F1V
R900927236 4WREE10Q2-75-2X/G24K31/A1V
R900927235 4WREE10V50-2X/G24K31/A1V
R900927234 4WREE10W1-75-2X/G24K31/A1V
R900927233 4WREE10W75-2X/G24K31/A1V
R900927232 4WREE10E1-75-2X/G24K31/A1V
R900927231 4WREE10E50-2X/G24K31/A1V
R900927230 4WREE10E75-2X/G24K31/A1V
R900924066 4WRE10EA64-1X/24K4/M
R900924065 4WRE10W1-32-1X/24K4/M
R900923524 4WRE10EA16-1X/24K4/M
R900921005 4WRE10V16-1X/24K4/M
R900916325 4WRE10W16-1X/24K4/M
R900916324 4WRE10W1-64-1X/24K4/M
R900916323 4WRE10V64-1X/24K4/M
R900916322 4WRE10V32-1X/24K4/M
R900916317 4WRE10E1-64-1X/24K4/M
R900926598 4WRE10X64-1X/24K4/M-492
R900924975 4WREE10V50-2X/G24K31/F1V
R900924607 4WREE10V75-2X/G24K31/A1V
R900758528 4WRE10WA32-1X/24K4/V
R900752971 4WRE10EA50-2X/G24K4/V
R900904591 4WRE10W64-1X/24K4/M
R900777136 4WREF10R75-2X/V-24CA1
R900787894 4WREEM10E1-50-2X/G24K34/B6V
R900780868 4WREEM10E75J-2X/G24K34/B6V-735
R900779950 4WREE10V25-2X/G24K31/F1V
R900710343 4WREE10EB50-2X/G24K31/A1V
R900741899 4WREE10EA75-2X/G24K31/A1V-472
R900727833 4WREEM10E25-2X/G24K34/B6V
R900726605 4WRE10E1-25-2X/G24K4/V
R900724591 4WREE10R75-2X/G24K31/F1V
R900722751 4WREE10E00-2X/G24K31/A1V-717
R900721307 4WRE10E1-64-1X/24K4/M-38
上海心雨機電設備有限公司專業代理現貨優勢供應力士樂Rexroth比例方向閥/比例溢流閥/電磁換向閥/電液換向閥/球閥/減壓閥/放大器/電磁換向閥/液控單向閥/溢流閥/比例閥/柱塞泵/齒輪泵/葉片泵等液壓元件。我們的服務宗旨:顧客至上!質量第一!誠信經營,心雨信譽!將為您提供專業、標準、周到、細致的服務。歡迎來電來函咨詢選購!
聯系人:田雨
QQ: 894330228 1044485458
TEL: 021-60510270
FAX: 021-55032832
MOB:15021186744 (微信同步)
E-mail:894330228@qq.com
網址:http:/www.yxkepu.cn
地址:上海市嘉定區德富路1211號左岸香堤205室
郵編:201801