現貨特價銷售德國Rexroth力士樂比例閥0811404802 4WRPEH10C4B50L-2X/G24K0/A1M
比例閥4WRPEH10C4B50L-2X/G24K0/A1M 比例閥4WRPEH10C4B50L-2X/G24K0/A1M
比例閥4WRPEH10C4B50L-2X/G24K0/A1M 比例閥4WRPEH10C4B50L-2X/G24K0/A1M
比例閥4WRPEH10C4B50L-2X/G24K0/A1M 比例閥4WRPEH10C4B50L-2X/G24K0/A1M


德國Rexroth力士樂比例閥簡介:
訂貨號:0811404802
型號:4WRPEH10C4B50L-2X/G24K0/A1M
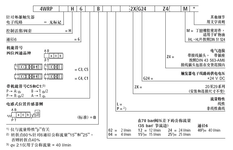
型號 4WRPH 和 4WRPEH 高頻響方向閥,直動式,帶電位反饋
規格6和10
安裝面按DIN 24340 A型和ISO 4401
控制流量的方向和大小
用于位置、速度和壓力的閉環控制
通過控制電磁鐵觸發
通過感應位置檢測器對控制滑閥進行位置傳感
集成電控器(OBE),用于4WRPEH
特性曲線帶或不帶變化
上海心雨機電設備公司,專業代理經銷德國博世Bosch-Rexroth力士樂電磁球閥、柱塞泵、齒輪泵、葉片泵、放大器、電液換向閥、電磁鐵線圈、壓力繼電器、減壓閥、溢流閥、比例閥方向控制閥、比例控制閥等液壓元件,液壓泵閥元件常年大量現貨特價供應,歡迎廣大客戶來電來函咨詢選購!
聯系人:田先生
QQ:894330228
電話:021-60510270
傳真:021-55032832
手機:15021186744
郵箱:894330228@qq.com
地址:上海市嘉定區德富路1211號左岸香堤205室
郵編:201801
力士樂液壓元件部分庫存名稱/型號/規格:
放大版0811405104 VT-VRPA1-537-10/V0/QV-RTP
放大版0811405144 VT-SSPA 1-508-20/V0
放大器0811405140 VT-MACAS-500-10/V0/I
放大器0811405147 VT-VACAF-500-10/V0
放大器0811405146 VT-VNE1-5-1X/V0/0
放大器0811405145 VT-SSPA1-525-20/V0/I
放大器0811405144 VT-SSPA1-508-20/V0
放大器0811405143 VT-SSPA1-525-20/V0
放大器0811405141 VT-KACAB-500-10/V0
柱塞泵R910943447 A A10VSO100DRG/31R-PPA12N00
電磁閥4WE6J7X/HG24N9K4/B10
電磁閥4WE6E6X/SG24N9K4/V
電磁閥4WEH16D7X/6EG24N9ETK4
溢流閥DB10-1-5X/200
壓力繼電器HED80H-2X/200K14AV
截止閥MG10G1X/V
換向閥4WEH16D7X/6HG24N9ETK4/B10
液壓泵 PV7-1A/63-71RE07MC0-16
液控單向閥 Z2S6B1-6X/V
葉片泵 PV7-1X/40-45RE37MC0-16
柱塞泵A4VSO180DR/22R-PPB13N00
減壓閥 ZDR6DP3-4X/150YM
換向閥 4WE6D46-6X/OFEG24N9DK24L1SO407
電磁換向閥4WE10Q3X/CG24N9K4
電磁換向閥 4WE6J6X/EG24N9K4
電磁換向閥 4WE6E6X/EG24N9K4
電磁換向閥 4WE6D6X/OFEG24N9K4
單向節流閥 Z2FS6-2-44/2QV
電磁換向閥 4WE6J6X/EG24N9K4
電磁換向閥 4WE6D62/EG24N9K4
電磁換向閥 4WE6E62/EG24N9K4
單向節流閥 Z2FS6-3-4X/2QV
比例閥0811404405 4WRL25V370M-3X/G24Z4/M
比例閥0811404902 4WRPH10C3B100L2X/G24KO/M
比例閥R900954189 4WRDE25V1-350L-5X/6L24K9/WG152M
比例閥R900955792 4WRDE25V1-350L-5X/6L24K9/WG152MR
比例閥0811404034 4WRPH6C3B12L-2X/G24Z4/M
比例閥R901054483 4WRA10EA00-2X/G24VK4/V-828
比例閥R901085689 4WRA10EA00-2X/G24VK4/V-873
比例閥R900920567 4WREE6E16-2X/G24K31/A1V
比例閥R900907114 4WREE6E32-2X/G24K31/A1V
比例閥R900954083 4WRAE10E60-2X/G24K31/A1V
比例閥R900954071 4WRAE6E30-2X/G24K31/A1V
比例閥0811402017 DBETX-1X/180G24-8NZ4M
比例閥R900955792 4WRDE25V1-350L-5X/6L24K9/WG152MR
比例閥0811403017 4WRBA10 EA75-2X/G24K4/M-828
比例閥0811403001 4WRP10EA63S-1X/G24Z4/M
比例閥0811404405 4WRL25V370M-3X/G24Z4/M
比例閥0811404803 4WRPEH10C4B100L-2X/G24K0/A1M
比例閥0811404802 4WRPEH10C4B50L-2X/G24K0/A1M
比例閥0811404801 4WRPEH10C3B100L-2X/G24K0/A1M
比例閥0811404601 4WRPEH6C3B12L-2X/G24K0/A1M
電磁閥R901058009
電磁閥4WE6D46.62/OFEG24,N9DK24L1,SO407,R901058011
電抗器NFD03.1-480-016
伺服控制器HCS02.1EW0054-A-03-NNNN
方向閥4WE6J6X/EG24N9K4
比例伺服閥4WRPEH6C3B24L-20/G24KO/A1M
溢流閥S6A1.0
比例溢流閥DBET-6X/200G24K4V
先導閥Z2FS16-8-3X/S
電磁閥4WE10J3X/CG24N9K4
電磁閥4WEH16E7X/6EG24N9ETK4/10
柱塞泵A10VS018DFR1/31R-PPA12N00
柱塞泵A4VSO180DR/22R-PPB13N00
柱塞泵A10VS028DFR1/31R-PPA12N00
齒輪泵0510 525 311
單向閥Z2S16-1-5X
減壓閥ZDR10DP2-5X/210YM
柱塞泵A10VSO100DRS/32R-VPB12N00
柱塞泵A10VSO10DR/52RPPA14N00
柱塞泵A10VSO100DRS/32R-VPB12N00
柱塞泵A10VS0100DRS/32R-VPB12N00-1439 R902436353
比例閥0811404628 4WRPEH6K3B50P-2X/G24K0/A1M
比例閥0811404603 4WRPEH6C3B40L2X/G24KO/A1M
比例閥4WRDE25V1-350L-5X/6L24K9/WG152M
比例閥4WRDE25V1-350L-5X/6L24K9/WG152MR
比例閥4WREE10E75-2X/G24K31/A1V
比例閥4WREE6E16-2X/G24K31/A1V
比例閥4WREE6E08-2X/G24K31/A1V
比例閥4WREE10E50-2X/G24K31/A1V
比例閥4WREE10E75-2X/G24K31/A1V
比例閥0811 404 613 4WRPEH6C4B40L-2X/G24K0/A1M
比例閥0811 404 603 4WRPEH6C3B40L-2X/G24K0/A1M
比例溢流閥DBEM10-5X/100YG24K4M
比例溢流閥R900923238 DBEM10-5X/200YG24K4M
減壓閥ZDB6VA2-4X/315
溢流閥 DBDS20K-1X/200
單向閥 Z2S221-5X
齒輪泵 0510 110 002
齒輪泵 0510 425 009
齒輪泵 0510 525 009
齒輪泵0510 525 009 AZPF-1X/011RCB20MB
齒輪泵 0510 665 330
柱塞泵A10VSO18DFR1/31R-VPA12K01
電磁閥4WE6C6X/EG24N9K4
電磁閥4WE10Q3X/CG24N9K4
單向閥Z1S6D-2-3X/V
節流閥Z2FS6-2-4X/2QV
節流閥Z2FS10-5-3X/
溢流閥DBW20B1-5X/3156EG24N9K4
溢流閥DBDS6K1X/25
流量閥MSR10KE05-1X/
柱塞泵A10VS071DRS/32R-VPB22U99
柱塞泵A4VS0250DR/30R-PPB13N00
減壓閥ZDR6DP2-4X/75YM
放大器VT3002-1-2X/48F
溢流閥DBW10A2-52/3156EG24N9K4
換向閥4WEH16J-7X/6EG24N9ETK4
齒輪泵 0510 425 009
齒輪泵 0510 110 302
齒輪泵0510 525 018 AZPF-10-014RCB20MB
齒輪泵0510 425 009 AZPF-10-008RCB20MB
齒輪泵0510 525 009 AZPF-10-011RCB20MB
齒輪泵0510 525 324 AZPF-12-011LRR20MB
齒輪泵0510 625 013 AZPF-10-019RCB20MB
齒輪泵0510 425 009 AZPF-10-008RCB20MB
齒輪泵0510 425 009 AZPF-10-008RCB20MB
齒輪泵0510 525 009 AZPF-10-011RCB20MB
齒輪泵0510 525 324 AZPF-12-011LRR20MB
齒輪泵0510 625 013 AZPF-10-019RCB20MB
齒輪泵0510 425 009 AZPF-10-008RCB20MB
齒輪泵0510 325 006 AZPF-11-005RCB20MB
齒輪泵0510 325 006 AZPF-11-005RCB20MB
齒輪泵0510 325 006 AZPF-11-005RCB20MB
齒輪泵1517 222 370 AZPF-10-004RCB20MM
齒輪泵0510 525 018 AZPF-10-014RCB20MB
減壓閥ZDB6VP2-4X/315V
減壓閥DR10-4-4X/100YM
減壓閥DR10-5-5X/200YM
減壓閥DR10-5-5X/100YM
電磁閥4WE10Q3X/CG24N9K4
電磁閥4WE10E3X/CG24N9K4
電磁閥4WE10H3X/CG24N9K4
電磁閥4WE10D3X/CG24N9K4
電磁閥4WE10D3X/OFCG24N9K4
電磁閥4WE10M3X/CG24N9K4
電磁閥4WE6Y7X/HG24N9K4
電磁閥3WE6A6X/EG24N9K4
電磁閥4WE10L3X/CG24N9K4
減壓閥DR10DP2-4X/150YM
電磁閥4WE6U6X/EG24N9K4
減壓閥DR6DP2-5X/75YM
溢流閥DBDS10K1X/200
溢流閥DBW10B1-5X/200-6EG24N9K
溢流閥DBW10B1-5X/315-6EG24N9K
溢流閥DBW20B1-5X/315-6EG24N9K4
溢流閥DBW20B1-5X/315-6EG24N9K4
電磁閥4WE6M6X/EG24N9K4
電磁閥3WH6B5X/ R900472230
電磁閥4WE10E3X/CW230N9K4/V
電磁閥SL10PA1-4X/V
電磁閥MSR15KE05-1X/
電磁閥ZDR10DP2-5X/150YM
電磁換向閥R900591325 4WE10Q3X/CG24N9K4
電磁閥DRE6-1X/100MG24K4/M
電磁閥4WE10Q3X/CG24N9K4
比例閥七星插頭R900021267
電磁閥4WE6D6X/OFEG24N9K4
減壓閥ZDR6DP2-4X/150YM
電磁閥4WE6J6X/EW230N9K4/V
電磁閥4WE6E6X/EG24N9K4
壓力繼電器HED80H-2X/200K14A
單向閥Z2FS10-5-3X/V
電磁閥4WE6J6X/EG24N9K4
電磁閥4WE10H3X/CW230N9K4
電磁閥4WE10Y3X/CG24N9K4
電磁閥4WE10H3X/CW230N9K4
電磁閥4WE10C3X/CG24N9K4
電磁閥4WE10D3X/CG24N9K4
電磁閥4WE10L3X/CG24N9K4
電磁閥4WE10EB3X/CG24N9K4
電磁閥4WE10R3X/CG24N9K4
電磁閥4WE10R3X/CG24N9K4
電磁閥4WE10U3X/CG24N9K4
柱塞泵R902427855 A10VS071DFR1/31R-PPA12N00
柱塞泵R91022744 A10VSO100DFR1/31R-PPA12N00
葉片泵PVV1-1X/036RA15DMB
葉片泵PVV4-1X/069RA15DMC
齒輪泵PGF1-2X/3.2RA01VP1 R900932135
齒輪泵0511 625 300
齒輪泵0511 425 301
液壓閥Z2S6-1-6X(R900347495)
電磁閥4WE6J7X/HG24N9K4
電磁閥4WEH16E7X/6EG24N9ETK4
減壓閥ZDR10DP2-54/75YM
比例閥4WRDE25V1-350L-5X/6L24K9/WG152M
比例閥4WRDE25V1-350L-5X/6L24K9/WG152MR
比例溢流閥R901000846 DBET-6X/200G24K4V
放大器0811405126 VT-MSPA1-508-10/V0
放大器VT-VSPA1-1-1X
放大器VT-VSPA1-11-1X/V0/0
放大器VT-MSPA1-11-1X/V0/0
放大器VT-HNC100-2-3X/P-I-00/G02
放大器VT-HNC100-1-3X/P-I-00/000
放大器VT-HNC100-4-3X/P-I-00/000
放大器VT-NE30-2X/
放大器VT-VSPD-1-2X/V0/0-0-1
放大器VT-VRPD-2-2X/V0/0-0-1
放大器VT-ZKO-USB/S-1-1X/V0/0
放大器VT-VRPA1-151-1X/V0/0
放大器VT-HACD-1-1X/V0/1-P-0
減壓閥ZDR6DP2-4X/210YM
插裝閥LC32DB20E-7X
換向閥H-4WMM16E7X/F
換向閥H-4WMM16J7X/F
換向閥H-4WMM16E7X
單向閥Z2FS16-8-3X/S2
電磁閥3PZAMGR
減壓閥LFA32GWA-7X/
單向閥R901086060 Z1S6T50-4X/V
減壓閥0811 402 059 DRE6X-1X/75MG24-8NZ4M
比例閥0811404495 4WRL25V1-370M-3X/G24Z4/M
比例溢流閥DBETE-6X/315YG24K31A1V R901064278
力士樂控制閥 VT10468-32/BORO
單向閥Z1S6E05-4X/V R901085992
柱塞泵AA10VSO28DFR1/31L-PPA12NOO R910909280
插裝閥R900912531 LC16DB20E-7X
比例溢流閥R901000848 DBET6X/350G24K4V
方向座閥M-3SEW6C-3X/420MG24N9K4
比例伺服閥0811 404 602 4WRPEH6C3B24L-20/G24KO/A1M
氣動元件1827 414 900
氣動元件MSL2A2X/315D/400
柱塞泵R902452707 A10VSO45DFR1/32R-VPB12N00 S2655
柱塞泵R902452431 AA10VSO71DRS/32R-VPB22U99-S2184
柱塞泵R902436353 A10VSO100DRS/32R-VPB12N00 S1439
柱塞泵R902449059 AA10VSO140DRS /32R-VPB22U99
柱塞泵R902454219 A4VSO40DFE1/10R-PPB13N00
比例閥4WRDE25V1-350L-5X/6L24K9/WG152M
比例閥4WRDE25V1-350L-5X/6L24K9/WG152MR
比例控制閥R900608755 VT-DFPE-A-2X/G24K0/2A0V/V
比例控制閥R900608754 VT-DFPE-A-2X/G24K0/2A0F/V
比例控制閥R900608753 VT-DFPE-A-2X/G24K0/0A0V/V
比例控制閥R900702586 VT-DFPE-A-2X/G24K0/2A0F/V-017
比例控制閥R900702431 VT-DFPE-A-2X/G24K0/0B0V/V
比例控制閥R900701568 VT-DFPE-A-2X/G24K0/0A2V/V
比例控制閥R900619401 VT-DFPE-A-2X/G24K0/2B0F/V-016
派克Parker電液伺服閥BD15AAA-NB10
迪普馬Dupiomatic伺服閥DXJ5-D0L100/10N/E1K11
穆格MOOG伺服閥D634-341C R40KO2M0NSS2
穆格MOOG伺服閥D634-341C R40KO2M0NSS2
穆格MOOG伺服閥D634-319C R40KO2M0NSP2
穆格MOOG伺服閥D633-312B R08K01MONSS2
穆格MOOG伺服閥D633-442B-RO2KO1FONSS2
穆格MOOG伺服閥D633-526B R02KO1DONSP2
穆格MOOG伺服閥D633-419B R16KO1FONSP2
穆格MOOG伺服閥D633-473B R08K01F0VSX2
穆格MOOG伺服閥D633-500B R02K01MOVSX2
穆格MOOG伺服閥D633-314A E02K01M0NSP2
穆格MOOG伺服閥D633-333B-R16KO1FONSS2
穆格MOOG伺服閥D634-341C R40K02M0NSS2
穆格MOOG伺服閥D634-319C R40KO2M0NSP2
穆格MOOG伺服閥D633-333B R16KO1F0NSS
穆格MOOG伺服閥MOOG-6315 S63JOGM4VPL
穆格MOOG伺服閥MOD:G761-3005B SI
迪普馬DUPLOMATIC壓力繼電器PSP4/21N-K1-K
迪普馬DUPLOMATIC壓力繼電器PSP6/21N-K1-K
迪普馬DUPLOMATIC壓力繼電器PSP4/21N-K1-K
迪普馬DUPLOMATIC壓力繼電器PSP4/21N-K1-K
迪普馬DUPLOMATIC壓力繼電器PSP6/21N-K1-K
威格士電磁閥 DG4V3SOBMUH560
威格士電磁閥 DGMPC5ABK30 867339
威格士電磁閥 DG17V36N60
威格士液壓泵 HC8060620420 PVXS130M04R0001R01SVVADF0
威格士電磁閥 KBCG3250DZM12APE7H110
威格士電磁閥 DG4V36BMUH760
威格士電磁閥 DG4V32BLMUH760 869879
威格士電磁閥 DGMX23PACWB4
威格士電磁閥 RCG10B130
威格士電磁閥 DGMR5A1FWB1FW30
威格士電磁閥 DG5V76CMUH730
威格士電磁閥 DGMC5ATFWB30
威格士電磁閥 DGMC5ATFWB30
威格士電磁閥 DG4V56CJMUH620
威格士電磁閥 DGMPC3ABK41 870024
威格士電磁閥 DGMX23PPBWB40
威格士電磁閥 DGMC3ATGWB41
威格士電磁閥 DGMC3ATGWB41
威格士電磁閥 DG4V52CJMUH760
威格士電磁閥 DGMDC3XBK41
威格士電磁閥 DGMX25PBBWB30
威格士電磁閥 DG4V52AJMUH620
威格士電磁閥 DGMFN5XA2WB2W30
威格士電磁閥 DG5S4046CTMUH560
威格士電磁閥 DGMX23PPBHB40
威格士電磁閥 DGMX25PPFWB30 880553
威格士電磁閥 DG4V32CMUH760
威格士電磁閥 DGMFN3YA2HB2H
威格士電磁閥 DG4V36CMUH560
威格士電磁閥 CVCS16D3B2910
威格士電磁閥 DGMPC5ABKBAK30
威格士電磁閥 DGMPC5ABKBAK30
威格士電磁閥 DGMPC3ABKBAK4
威格士電磁閥 DGMFN5YA2WB2W30 867332
威格士電磁閥 DGMFN5YA2WB2W30 867332
威格士液壓泵 02-335172 PVM131ER10GS02AAA28000000A0A
威格士液壓泵 PVM098ER09GS02AAA28000000A0A
威格士液壓泵 PVH057R01AA10A250000002001AB010A 02-151939
威格士液壓泵 PVH131R13AF30B252000002001AB010A 02-315355
威格士液壓泵 02-334368 PVH141R13AF30B252000001001AB010A
威格士液壓泵 PVH074R01AA10A250000001001AB010A 877006
威格士閥 MCSCH230AG000010(300AA00126A)
威格士泵PVM074ER09GS04AAA28000000AOA 123AL00691A
威格士馬達JS-395
威格士馬達JS-395
威格士馬達JS-50
威格士馬達JS-50
威格士泵 PVQ32B2LSS1S20C1411 02-334575
威格士閥 KBCG3350DZM12APE7H110 02-352468
威格士閥 KBCG3250DZM22APE7H110
威格士閥 KBCG3L100DZM12APE7H110 02-353928
威格士閥 565323 KFTG4V52B70NZVMU1H720
威格士閥 KDG4V333C20NZMUH760 (02-146721)
威格士閥 KDG4V52C50NHMUH730 02-312306
威格士閥 KDG5V52C90NXMUH110 02-318522
威格士閥 KBDG4V32C20NZM1PE7H710 02-351541
威格士閥 KBFDG4V32C20NZM1PE7H711 5995975-001
威格士泵 KBFDG4V32C28SZM1PE7H611 5995980-001
威格士閥 565321 KFDG4V533C50NZVMU1H720
威格士閥 KFDG4V333C20NZMU1H720 565383
威格士閥 DGMFN3YA2WB2W41
威格士閥 DGMFN3YA2WB2W41
威格士閥 CVCS32NB2910 02-330771
威格士閥 DG17V32N60
威格士閥 RV510S020 889566
威格士閥 CVI16D202H10
威格士閥 CVCS32C3B29W25010 02-311460
威格士閥 DGMFN3YA2W41??02-108384
威格士閥 DGMC7ATFH20
威格士閥 RV310S036
威格士節流閥 DGMFN3XA1WB1W41 694413
威格士閥 DGMPC3ABNBAN41 02-108578
威格士閥 CVI25D20H50 847AN00020A
威格士閥 DG4V3S0BMUH560
威格士閥 DGMDC3YPK41 694415
威格士泵 25506-RAL ABFAR06AB03000000000
威格士閥 DGMC23ATGWBTGW41 871702
威格士閥 DGMFN3XA2W41? 02-108917
威格士閥 DGMFN5YA2W30 (868883 )
威格士閥 DGMFN5XA2W30? 868880
威格士閥 DG5V76C2TVMUH730 02-358669
威格士閥 DGMX23PPCWB40 870037
威格士閥 SBV1112C024DGH
威格士閥 DGMC25ABFWBAFW30 868858
威格士閥 DGMDC5YAKBK30
威格士閥 DGMC3ATCW41
威格士閥 DGMC5PTFWB30 879342
威格士閥 DGMC5PTGWB30
威格士閥 DG4V3S2AMUB560
威格士閥 DG17V86N10
威格士閥 DGMFN5YB2W30
威格士閥 DGMPC5BAK30
威格士閥 CG5V8FWDMUH711 859557
威格士閥 DGMPC7ABKBAK21 02-412028
威格士閥 DGMPC7ABKBAK21 02-412028
威格士閥 02-352689 DGMFN7YA2HB2H20
威格士閥 02-352689 DGMFN7YA2HB2H20
威格士閥 EFN0621B 708148
威格士閥 DG4V52NJMUH620
威格士閥 870023 DGMPC3BAK41
威格士閥 DG4V522AJMUH620
威格士閥 CVI25D20M50 847AN00006A
威格士閥 DGMC7PTGH20
威格士閥 DG18V32ALB60 02-339196
威格士閥 DG18V32ALB60 02-339196
威格士閥 DG4V52CMUA620
威格士閥 DG4V52BLJMUH620 709623
威格士閥 KXG8W100ZMUH110
威格士閥 CVCS32D3B2910 02-154718
威格士閥 DGMX25PPBWS30 867324
威格士閥 DG4V52CMUEK620
威格士閥 DGMC3PTGW41 869641
威格士減壓閥 DGMX23PPFWB40 870038
威格士閥 SV3100P024DG
威格士閥 DGMDC3XTK41 694416
威格士閥 SV220C000 訂貨號:565539
威格士閥 SV116C000 訂貨號: 565538
威格士閥 MCSCJ230AG000010(300AA00086A)
威格士閥 02-323325 KDG5V533C80NTHMUH110
威格士閥 DG4V36CMUH760
威格士閥 KCG3350DZMUHL110P15T10 02-311924
威格士閥 565463 KFDG4V52C70NZMU1H720
威格士閥 DG4V32ALMUH760
威格士閥 DG5V72CTVMUH730
威格士閥 SV1310OP024DGH 空運
威格士閥 02-157887 KSDG4V392L05MU1H711
威格士閥 FCG3180H10
威格士閥 DG4V32ALMUH560EN124
力士樂閥 LC25A20D-7X
威格士閥 DG4V38CVMUH761 02-145162
威格士閥 DGMR3A1FWAB1FWA50(02-350947)
威格士閥 DG4V52AMUEK620
威格士閥 DG4V56CMUEK620
威格士閥 DG5V76C2TMUH730 02-145960
威格士閥 DG4V36CMFWH760EN21
威格士閥 DGMX7PPGH20 02-352619
威格士閥 KXG8W1003ZMUH110 02-156013
威格士閥 KXG8W1603ZMUH110 02-156014
威格士閥 DGMR13PPFWB40
威格士閥 DGMDC3YAKBK41
威格士閥 DG5V76C3TMUH730
威格士閥 RV610S025 02-177834
威格士閥 SV3120P024DG
威格士閥 SV1316CMO24DGH
威格士閥 DARVW10K10/200
威格士閥 EPRV1165.00000
威格士閥 DG4V37CMUH760
威格士閥 CVI25D10H50 847AN00007A
威格士閥 KXCG6W160ZMUH10 02-157652
威格士閥 PCGV8AD10
威格士閥 DG4V36NVMUH760 871143
威格士閥 02-138278 DG5V76CTMUH730
威格士閥 KDG5V833C330NEXVMUH120 02-353760
賀德克閥 ZBM3000
賀德克閥 ZBE06-05
連接線 ZBE01
阿托斯閥DLHZOTE040V71
阿托斯閥DLHZOTE040V31
阿托斯閥DHZ0A071S5
阿托斯放大器E-ME-AC-05F
阿托斯放大器E-MI-AC-01F
ATOS放大器E-MI-AC-01F 20/2
放大器E-ME-AC-01F/1 20/2
放大器E-ME-AC-01F/RR
放大器E-ME-AC-05F 20/2
放大器E-ME-AC-05F/I 20
放大器E-BM-AC-011F
IH 1CE300F35S3
支架 EK32M
力士樂閥 0811 404 039 4WRPH6C4B40L-2X/G24Z4/M
萬福樂閥 AS32060b-G220
力士樂閥 4WRTE10V100L-4X/6EG24K31/A1M(R900954258)
力士樂閥 4WE6D6X/EG24N9K4
力士樂閥 4WE6D6X/OFEG24N9K4
德國力士樂Rexroth比例伺服閥4WRPH系列:
R901349901 4WRPH6C3B24L-20=G24Z4/M=00
R901349901 4WRPH6C3B24L-2X=G24Z4/M=00
R901349903 4WRPH6C3B24L-2X/G24Z4/M
R901303846 4WRPEH6C1B24L-2X/G24K0/A1M
R901153461 4WRPEH6C3B15P-2X/G24K0/F1M
R901136861 4WRPEH6C4B40L-2X/G24K0/F1V
R901125451 4WRPEH6CB04L-2X/G24K0/F1M
R901129227 4WRPEH6CB04L-2X/G24K0/F1V
R901101316 4WRPH6C3B12L-1X/G24Z4/V
0811404048 4WRPH6C4B15P-2X/G24Z4/M
0811404047 4WRPH6C3B15P-2X/G24Z4/M
0811404046 4WRPH6C4B40P-2X/G24Z4/M
0811404045 4WRPH6C4B25P-2X/G24Z4/M
0811404044 4WRPH6C3B40P-2X/G24Z4/M
0811404043 4WRPH6C3B25P-2X/G24Z4/M
0811404042 4WRPH6C3B04P-2X/G24Z4/M
0811404041 4WRPH6C3B02L-2X/G24Z4/M
0811404040 4WRPH6KB50P-2X/G24Z4/M
0811404039 4WRPH6C4B40L-2X/G24Z4/M
0811404038 4WRPH6C4B24L-2X/G24Z4/M
0811404037 4WRPH6C4B12L-2X/G24Z4/M
0811404036 4WRPH6C3B40L-2X/G24Z4/M
0811404035 4WRPH6C3B24L-2X/G24Z4/M
0811404034 4WRPH6C3B12L-2X/G24Z4/M
0811404033 4WRPH6C3B04L-2X/G24Z4/M
0811404032 4WRPH6KB50L-2X/G24Z4/M
0811J04035 4WRPH6C3B24L-2X/G24Z4/M
0811A04042 4WRPH6C3B04P-2X/G24Z4/M
0811A04041 4WRPH6C3B02L-2X/G24Z4/M
0811A04039 4WRPH6C4B40L-2X/G24Z4/M
0811A04036 4WRPH6C3B40L-2X/G24Z4/M
0811404035 4WRPH6C3B24L-2X/G24Z4/M
0811A04035 4WRPH6C3B24L-2X/G24Z4/M
0811A04034 4WRPH6C3B12L-2X/G24Z4/M
0811A04033 4WRPH6C3B04L-2X/G24Z4/M
0811404041 4WRPH6C3B02L-2X/G24Z4/M
0811404033 4WRPH6C3B04L-2X/G24Z4/M
0811404034 4WRPH6C3B12L-2X/G24Z4/M
0811404035 4WRPH6C3B24L-2X/G24Z4/M
0811404036 4WRPH6C3B40L-2X/G24Z4/M
0811404510 4WRPH6C5B40L-2X/G24Z4/M
0811404047 4WRPH6C3B15P-2X/G24Z4/M
0811404043 4WRPH6C3B25P-2X/G24Z4/M
0811404044 4WRPH6C3B40P-2X/G24Z4/M
0811404511 4WRPH6C5B40P-2X/G24Z4/M
0811404512 4WRPH6C4B02L-2X/G24Z4/M
0811404160 4WRPH6C4B04L-2X/G24Z4/M
0811404037 4WRPH6C4B12L-2X/G24Z4/M
0811404038 4WRPH6C4B24L-2X/G24Z4/M
0811404039 4WRPH6C4B40L-2X/G24Z4/M
0811404513 4WRPH6C1B40L-2X/G24Z4/M
0811404048 4WRPH6C4B15P-2X/G24Z4/M
0811404045 4WRPH6C4B25P-2X/G24Z4/M
0811404046 4WRPH6C4B40P-2X/G24Z4/M
0811404162 4WRPH6C1B40P-2X/G24Z4/M
0811404902 4WRPH10C3B100L-2X/G24K0/M-750
0811404901 4WRPH10C1B100L-2X/G24K0/M-750
0811404520 4WRPH6C3B24L-2X/G24K0/M-784
0811404515 4WRPH6C4B02L-2X/G24Z4/M
0811404179 4WRPH6C3B12L-2X/G24K0/M-784
0811404177 4WRPH6XB12L-2X/G24K0/M-843
0811404175 4WRPH6XB40L-2X/G24Z4/M-842
0811404174 4WRPH6C3B40L-2X/G24Z4/M-561
0811404172 4WRPH6CB25P-2X/G24Z4/M
0811404171 4WRPH6C4B40L-2X/G24K0/M-750
0811404170 4WRPH6C3B40L-2X/G24K0/M-750
0811404169 4WRPH6C3B24L-2X/G24K0/M-750
0811404167 4WRPH6C4B24L-2X/G24K0/M-750
0811404166 4WRPH6XB12L-2X/G24Z4/M-842
0811404164 4WRPH6C3B24L-2X/G24Z4/M-561
0811404163 4WRPH6XB24L-2X/G24Z4/M-842
0811404162 4WRPH6C1B40P-2X/G24Z4/M
0811404161 4WRPH6C3B12L-2X/G24Z4/M-561
0811404741 4WRPEH6CB04L-2X/G24K0/A1M
0811404527 4WRPEH6CB12L-2X/G24K0/A1M
0811404355 4WRPEH6CB24L-2X/G24K0/A1M
0811404743 4WRPEH6CB24L-2X/G24K0/B5M
0811404359 4WRPEH6CB25P-2X/G24K0/A1M
0811404363 4WRPEH6CB25P-2X/G24K0/A1M-303
0811404639 4WRPEH6CB40L-2X/G24K0/A1M
0811404640 4WRPEH6CB40L-2X/G24K0/F1M
0811404738 4WRPEH6C1B40L-2X/G24K0/A1M
0811404744 4WRPEH6C3B02L-2X/G24K0/A1M
0811404526 4WRPEH6C3B02L-2X/G24K0/F1M
0811404600 4WRPEH6C3B04L-2X/G24K0/A1M
0811404607 4WRPEH6C3B04L-2X/G24K0/A1M-816
0811404625 4WRPEH6C3B04L-2X/G24K0/A1M-841
0811404621 4WRPEH6C3B04L-2X/G24K0/B5M
0811404631 4WRPEH6C3B04L-2X/G24K0/F1M
0811404605 4WRPEH6C3B04P-2X/G24K0/A1M
0811404624 4WRPEH6C3B08L-2X/G24K0/A1M-841
0811404601 4WRPEH6C3B12L 2X G24K0/A1M
0811A04601 4WRPEH6C3B12L-2X/G24K0/A1M
0811404608 4WRPEH6C3B12L-2X/G24K0/A1M -816
0811404642 4WRPEH6C3B15P-2X/G24K0/A1M
R901266764 4WRPEH6C3B15P-2X/G24K0/A1V
0811404644 4WRPEH6C3B40P-2X/G24K0/A1M
0811404643 4WRPEH6C3B25P-2X/G24K0/A1M
0811404613 4WRPEH6C4B40L-2X/G24K0/A1M
0811404612 4WRPEH6C4B24L-2X/G24K0/A1M
0811404611 4WRPEH6C4B12L-2X/G24K0/A1M
0811404603 4WRPEH6C3B40L-2X/G24K0/A1M
0811404602 4WRPEH6C3B24L-2X/G24K0/A1M
0811404601 4WRPEH6C3B12L-2X/G24K0/A1M
0811404626 4WRPEH6C3B15P-2X/G24K0/B5M
0811404727 4WRREH6VB40P-1X/G24K0/B5M
0811404726 4WRREH6VB25P-1X/G24K0/B5M
0811404725 4WRREH6VB15P-1X/G24K0/B5M
0811404723 4WRREH6VB8L-1X/G24K0/B5M
0811404722 4WRREH6VB12L-1X/G24K0/B5M
0811404721 4WRREH6VB24L-1X/G24K0/B5M
0811404720 4WRREH6VB40L-1X/G24K0/B5M
0811404602 4WRPEH6C3B24L-2X/G24K0/A1M
0811404622 4WRPEH6C3B24L-2X/G24K0/B5M
0811404633 4WRPEH6C3B24L-2X/G24K0/F1M
0811404643 4WRPEH6C3B25P-2X/G24K0/A1M
0811404635 4WRPEH6C3B25P-2X/G24K0/B5M
0811A04603 4WRPEH6C3B40L 2X G24K0/A1M
0811404603 4WRPEH6C3B40L-2X/G24K0/A1M
0811404735 4WRPEH6C3B40L-2X/G24K0/B5M
0811404634 4WRPEH6C3B40L-2X/G24K0/F1M
0811404644 4WRPEH6C3B40P-2X/G24K0/A1M
0811404637 4WRPEH6C3B40P-2X/G24K0/B5M
0811404641 4WRPEH6C4B02L-2X/G24K0/A1M
0811404610 4WRPEH6C4B04L-2X/G24K0/A1M
0811404350 4WRPEH6C4B04L-2X/G24K0/F1M
0811404611 4WRPEH6C4B12L-2X G24K0/A1M
0811404623 4WRPEH6C4B12L-2X/G24K0/B5M
0811404351 4WRPEH6C4B12L-2X/G24K0/F1M
0811404645 4WRPEH6C4B15P-2X/G24K0/A1M
0811404612 4WRPEH6C4B24L-2X/G24K0/A1M
0811404352 4WRPEH6C4B24L-2X/G24K0/F1M
0811404646 4WRPEH6C4B25P-2X/G24K0/A1M
0811404613 4WRPEH6C4B40L-2X/G24K0/A1M
0811404638 4WRPEH6C4B40L-2X/G24K0/A1V
0811404353 4WRPEH6C4B40L-2X/G24K0/F1M
0811404647 4WRPEH6C4B40P-2X/G24K0/A1M
0811404356 4WRPEH6C4B40P-2X/G24K0/B5M
0811404746 4WRPEH6C5B40L-2X/G24K0/A1M
0811404648 4WRPEH6C5B40P-2X/G24K0/A1M
0811404604 4WRPEH6KB50P-2X/G24K0/A1M
0811404172 4WRPH6CB25P-2X/G24Z4/M
0811404162 4WRPH6C1B40P-2X/G24Z4/M
0811404122 4WRPH6C3B04L-1X/G24Z4/M
0811404033 4WRPH6C3B04L-2X/G24Z4/M
0811404111 4WRPH6C3B12L-1X/G24Z4/M
0811404179 4WRPH6C3B12L-2X/G24K0/M-784
0811404034 4WRPH6C3B12L-2X/G24Z4/M
0811404161 4WRPH6C3B12L-2X/G24Z4/M-561
0811404047 4WRPH6C3B15P-2X/G24Z4/M
0811404106 4WRPH6C3B24L-1X/G24Z4/M
0811404520 4WRPH6C3B24L-2X/G24K0/M-784
0811404035 4WRPH6C3B24L-2X/G24Z4/M
0811404164 4WRPH6C3B24L-2X/G24Z4/M-561
0811404043 4WRPH6C3B25P-2X/G24Z4/M
0811404113 4WRPH6C3B40L-1X/G24Z4/M
0811404170 4WRPH6C3B40L-2X/G24K0/M-750
0811A04036 4WRPH6C3B40L-2X/G24Z4/M
0811404036 4WRPH6C3B40L-2X/G24Z4/M
0811404044 4WRPH6C3B40P-2X/G24Z4/M
0811404160 4WRPH6C4B04L-2X/G24Z4/M
0811404112 4WRPH6C4B12L-1X/G24Z4/M
0811404037 4WRPH6C4B12L-2X/G24Z4/M
0811404048 4WRPH6C4B15P-2X/G24Z4/M
0811404118 4WRPH6C4B24L-1X/G24Z4/M
0811404167 4WRPH6C4B24L-2X/G24K0/M-750
0811404038 4WRPH6C4B24L-2X/G24Z4/M
0811404045 4WRPH6C4B25P-2X/G24Z4/M
0811404171 4WRPH6C4B40L-2X/G24K0/M-750
0811A04039 4WRPH6C4B40L-2X/G24Z4/M
0811404039 4WRPH6C4B40L-2X/G24Z4/M
0811404046 4WRPH6C4B40P-2X/G24Z4/M
0811404644 4WRPEH6C3B40P-2X/G24K0/A1M
0811404643 4WRPEH6C3B25P-2X/G24K0/A1M
0811404613 4WRPEH6C4B40L-2X/G24K0/A1M
0811404612 4WRPEH6C4B24L-2X/G24K0/A1M
0811404611 4WRPEH6C4B12L-2X/G24K0/A1M
0811404603 4WRPEH6C3B40L-2X/G24K0/A1M
0811404602 4WRPEH6C3B24L-2X/G24K0/A1M
0811404601 4WRPEH6C3B12L-2X/G24K0/A1M
0811404177 4WRPH6XB12L-2X/G24K0/M-843
0811404166 4WRPH6XB12L-2X/G24Z4/M-842
0811404163 4WRPH6XB24L-2X/G24Z4/M-842
0811404175 4WRPH6XB40L-2X/G24Z4/M-842
0811404780 4WRPEM10E50SJ-2X/G24K0/A1M
0811404781 4WRPEM10E80SJ-2X/G24K0/A1M
0811404076 4WRPH10C1B100L-2X/G24Z4/M
0811404078 4WRPH10C1B100P-2X/G24Z4/M
0811404067 4WRPH10C1B50P-2X/G24Z4/M
0811404059 4WRPH10C3B100L-2X/G24Z4/M
0811404063 4WRPH10C3B100P-2X/G24Z4/M
0811404058 4WRPH10C3B50L-2X/G24Z4/M
0811404061 4WRPH10C4B100L-2X/G24Z4/M
0811404065 4WRPH10C4B100P-2X/G24Z4/M
0811404060 4WRPH10C4B50L-2X/G24Z4/M
0811404064 4WRPH10C4B50P-2X/G24Z4/M
0811404164 4WRPH6C3B24L-2X/G24Z4/M-561
0811404043 4WRPH6C3B25P-2X/G24Z4/M
0811404113 4WRPH6C3B40L-1X/G24Z4/M
0811404170 4WRPH6C3B40L-2X/G24K0/M-750
0811A04036 4WRPH6C3B40L-2X/G24Z4/M
0811404036 4WRPH6C3B40L-2X/G24Z4/M
0811404044 4WRPH6C3B40P-2X/G24Z4/M
0811404160 4WRPH6C4B04L-2X/G24Z4/M
0811404112 4WRPH6C4B12L-1X/G24Z4/M
0811404037 4WRPH6C4B12L-2X/G24Z4/M
0811404048 4WRPH6C4B15P-2X/G24Z4/M
0811404118 4WRPH6C4B24L-1X/G24Z4/M
0811404167 4WRPH6C4B24L-2X/G24K0/M-750
0811404038 4WRPH6C4B24L-2X/G24Z4/M
0811404045 4WRPH6C4B25P-2X/G24Z4/M
0811404171 4WRPH6C4B40L-2X/G24K0/M-750
0811A04039 4WRPH6C4B40L-2X/G24Z4/M
0811404039 4WRPH6C4B40L-2X/G24Z4/M
0811404046 4WRPH6C4B40P-2X/G24Z4/M
0811404644 4WRPEH6C3B40P-2X/G24K0/A1M
0811404643 4WRPEH6C3B25P-2X/G24K0/A1M
0811404613 4WRPEH6C4B40L-2X/G24K0/A1M
0811404612 4WRPEH6C4B24L-2X/G24K0/A1M
0811404611 4WRPEH6C4B12L-2X/G24K0/A1M
0811404603 4WRPEH6C3B40L-2X/G24K0/A1M
0811404602 4WRPEH6C3B24L-2X/G24K0/A1M
0811404601 4WRPEH6C3B12L-2X/G24K0/A1M
0811404177 4WRPH6XB12L-2X/G24K0/M-843
0811404166 4WRPH6XB12L-2X/G24Z4/M-842
0811404163 4WRPH6XB24L-2X/G24Z4/M-842
0811404078 4WRPH10C1B100P-2X/G24Z4/M
0811404067 4WRPH10C1B50P-2X/G24Z4/M
0811404059 4WRPH10C3B100L-2X/G24Z4/M
0811404063 4WRPH10C3B100P-2X/G24Z4/M
0811404058 4WRPH10C3B50L-2X/G24Z4/M
0811404061 4WRPH10C4B100L-2X/G24Z4/M
0811404065 4WRPH10C4B100P-2X/G24Z4/M
0811404060 4WRPH10C4B50L-2X/G24Z4/M
0811404064 4WRPH10C4B50P-2X/G24Z4/M
0811404172 4WRPH6CB25P-2X/G24Z4/M
0811404162 4WRPH6C1B40P-2X/G24Z4/M
0811404122 4WRPH6C3B04L-1X/G24Z4/M
0811404033 4WRPH6C3B04L-2X/G24Z4/M
0811404111 4WRPH6C3B12L-1X/G24Z4/M
0811404179 4WRPH6C3B12L-2X/G24K0/M-784
0811404034 4WRPH6C3B12L-2X/G24Z4/M
0811404161 4WRPH6C3B12L-2X/G24Z4/M-561
0811404047 4WRPH6C3B15P-2X/G24Z4/M
0811404106 4WRPH6C3B24L-1X/G24Z4/M
0811404520 4WRPH6C3B24L-2X/G24K0/M-784
0811404035 4WRPH6C3B24L-2X/G24Z4/M
0811404132 4WRPH6C3B04L-1X/G24Z4/V
0811404130 4WRPH6CB40L-2X/G24Z4/M-859
0811404129 4WRPH6CB40L-2X/G24Z4/M-855
0811404128 4WRPH6CB24L-2X/G24Z4/M-855
0811404902 4WRPH10C3B100L-2X/G24K0/M-750
0811404901 4WRPH10C1B100L-2X/G24K0/M-750
0811404900 4WRP10KB130P-2X/G24Z4/M
0811404880 4WRVE10X85M-2X/G24K0/B5M-0811
0811404879 4WRPEH10C3B100L-2X/G24K0/A1M-844
0811404871 4WRPE10W80SJ-2X/G24K0/A1M-732
0811404870 4WRPE10E80SJ-2X/G24K0/A1M-732
0811404861 4WRPE6W32SJ-2X/G24K0/A1M-732
0811404860 4WRPE6E32SJ-2X/G24K0/A1M-732
0811404853 4WRBAE10W35J-2X/G24N9K31/A1M
0811404852 4WRBAE10E35J-2X/G24N9K31/A1M
0811404850 4WRBAE10E65J-2X/G24N9K31/A1M
0811404843 4WRBA10W64-2X/G24N9Z4/M-235
0811404833 4WRBA10W64-2X/G24N9Z4/M
0811404832 4WRBA10E64-2X/G24N9Z4/M
0811404831 4WRBA10W32-2X/G24N9Z4/M
0811404830 4WRBA10E32-2X/G24N9Z4/M
0811404827 4WRPEH10C5B100P-2X/G24K0/A1M
0811404826 4WRPEH10C5B50P-2X/G24K0/A1M
0811404825 4WRPEH10C4B100P-2X/G24K0/A1M
0811404824 4WRPEH10C4B50P-2X/G24K0/A1M
0811404823 4WRPEH10C3B100P-2X/G24K0/A1M
0811404822 4WRPEH10C3B50P-2X/G24K0/A1M
0811404821 4WRPEH10C1B100L-2X/G24K0/A1M
0811404820 4WRPEH10C1B50L-2X/G24K0/A1M
0811404819 4WRPEH10C3B50L-2X/G24K0/F1M
0811404818 4WRPE10CB80M-2X/G24K0/A1M-846
0811404817 4WRPEH10C3B100L-2X/G24K0/F1M
0811404816 4WRPEH10CB50P-2X/G24K0/F1M
0811404815 4WRPE10CB130P-2X/G24K0/B5M
0811404813 4WRPEH10C3B100L-2X/G24K0/B5M
0811404812 4WRPEH10C4B50L-2X/G24K0/B5M
0811404081 4WRPE10KB00L-2X/G24K0/A1M-845
0811404809 4WRPEH10CB100L-2X/G24K0/A1M
0811404808 4WRPEH10C3B50L-2X/G24K0/B5M
0811404807 4WRPEH10C4B100L-2X/G24K0/A1V
0811404806 4WRPEH10CB100L-2X/G24K0/F1M
0811404803 4WRPEH10C4B100L-2X/G24K0/A1M
0811404802 4WRPEH10C4B50L-2X/G24K0/A1M
0811404801 4WRPEH10C3B100L-2X/G24K0/A1M
0811404800 4WRPEH10C3B50L-2X/G24K0/A1M
0811404791 4WRPE10R5-50SJ-2X/G24K0/A1M-830
0811404790 4WRPE10R5-100SJ-2X/G24K0/A1M-830
0811404785 4WRPE6E18SJ-2X/G24K0/F1M
0811404783 4WRPE10E80SJ-2X/G24K0/F1M
0811404781 4WRPEM10E80SJ-2X/G24K0/A1M
0811404780 4WRPEM10E50SJ-2X/G24K0/A1M
0811404779 4WRPE10R3-80SJ-2X/G24K0/A1M-786
0811404778 4WRPE10W50SJ-2X/G24K0/F1M
0811404777 4WRPE10W1-80SJ-2X/G24K0/A1M
0811404776 4WRPE10W80SJ-2X/G24K0/B5M
0811404775 4WRPE10E80SJ-2X/G24K0/A1M-785
0811404774 4WRPE10E1-80SJ-2X/G24K0/A1M
0811404773 4WRPE10W80SJ-2X/G24K0/A1M
0811404772 4WRPE10W50SJ-2X/G24K0/A1M
0811404771 4WRPE10E80SJ-2X/G24K0/A1M
0811404770 4WRPE10E50SJ-2X/G24K0/A1M
0811404767 4WRPE10Q3-80M-2X/G24K0/A1M
0811404766 4WRPE10CB80L-2X/G24K0/F1M-810
0811404765 4WRPEH10CB50L-2X/G24K0/F1M
0811404764 4WRPEH10CB50L-2X/G24K0/A1M
0811404763 4WRPEH10C1B100L-2X/G24K0/F1M
0811404761 4WRPEH10C4B100L-2X/G24K0/F1M
0811404760 4WRPEH10C4B50L-2X/G24K0/F1M
0811404759 4WRPEH10C5B100L-2X/G24K0/F1M
0811404757 4WRPEH10C5B100L-2X/G24K0/A1M
0811404756 4WRPEH10C5B50L-2X/G24K0/A1M
0811404752 4WRPE10EA80SJ-2X/G24K0/A1M-797
0811404751 4WRPE10EA50SJ-2X/G24K0/A1M
0811404750 4WRPE10EA80SJ-2X/G24K0/A1M
0811404749 4WRPEH6C5B40L-2X/G24K0/F1M
0811404746 4WRPEH6C5B40L-2X/G24K0/A1M
0811404744 4WRPEH6C3B02L-2X/G24K0/A1M
0811404743 4WRPEH6CB24L-2X/G24K0/B5M
0811404742 4WRPE6R5-32M-2X/G24K0/A1M-838
0811404741 4WRPEH6CB04L-2X/G24K0/A1M
0811404740 4WRPE6Q5-18M-2X/G24K0/A1M-836
0811404739 4WRPE6Q5-32M-2X/G24K0/A1M-836
0811404738 4WRPEH6C1B40L-2X/G24K0/A1M
0811404735 4WRPEH6C3B40L-2X/G24K0/B5M
0811404734 4WRREH6VB4L-1X/G24K0/B5M
0811404644 4WRPEH6C3B40P-2X/G24K0/A1M
0811404643 4WRPEH6C3B25P-2X/G24K0/A1M
0811404613 4WRPEH6C4B40L-2X/G24K0/A1M
0811404612 4WRPEH6C4B24L-2X/G24K0/A1M
0811404611 4WRPEH6C4B12L-2X/G24K0/A1M
0811404603 4WRPEH6C3B40L-2X/G24K0/A1M
0811404602 4WRPEH6C3B24L-2X/G24K0/A1M
0811404601 4WRPEH6C3B12L-2X/G24K0/A1M
0811404733 4WRREH6VB25P-1X/G24K0/B5M-847
0811404729 4WRREH6VB15P-1X/G24K0/B5M-847
R900973361 4WRKE16W6-200L-3X/6EG24K31/A1D3M
R900750126 4WRZE25W8-325-7X/6EG24N9EK31/A1D3M
R900757605 4WRZE16W8-150-7X/6EG24N9EK31/F1D3M
R900757604 4WRZE25W8-220-7X/6EG24N9EK31/F1D3M
R900757651 4WRZE25W8-220-7X/6EG24N9K31/F1M
上海心雨機電設備有限公司專業代理銷售博士Bosch-Rexroth力士樂工業液壓/氣動及電子元器件如下:
柱塞泵:A4VSO,A10VSO,A2FO;
齒輪泵:0510,AZPF,PGH;
葉片泵:PV7
液壓馬達:A2FM
電磁閥/換向閥:4WE6、4WE10、4WEH10、4WEH16、4WEH25;
減壓閥:3DREP、ZDR6、ZDR10、DR-4X、DR-5X;
節流閥:Z2FS6、Z2FS10、Z2FS16、Z2FS22;
液控單向閥:Z2S6、Z2S10、Z2S16、Z2S22;
溢流閥:DBD,ZDB,Z2DB,DB、DBW 、DBET;
單向閥:Z2S,Z1S,S15A,S20A,SL10,SL20,SV10,SV20,RVP
調速閥:2FRM5,2FRM10,2FRM16
平衡閥:FD12FA FD12PA FD12KA,16KA FD16FA,16PA
繼電器:HED80, HED40
比例方向閥:4WRA、4WRAE、4WRE、4WREE、4WREEM、4WRH、4WRZ、4WRZE、4WRKE、4WRBKE、4WS2EM;
高頻響方向閥:4WRPH、4WRPEH、5WRP、5WRPE、4WRREH、4WRP、4WRPE、 4WRP(E)H 、4WRSE、4WRSEH、4WRPNH、 4WRL、4WRLE、4WRVE、4WRGE、4WRL、4WRLE、4WRDE、3WRCBH;
壓力繼電器:HED8OA、HED8OH、HED8OP;
放大器:VT、0811405..
伺服電機:MKD、MSK、MAD
伺服驅動器;DKC HCS HDS HAS HMD HMS HNL CML CMS CSB
上海心雨機電設備有限公司專業代理銷售博士Bosch-Rexroth力士樂工業液壓元件:柱塞泵,齒輪泵,葉片泵,液壓馬達,電磁閥,換向閥,減壓閥,變量泵,先導式減壓閥,疊加閥,節流閥,液控單向閥,調速閥,插裝閥,溢流閥,比例閥,伺服閥,流量控制閥...電子單元:電子放大器,比例放大版,放大器,壓力開關,壓力繼電器,壓力傳感器,伺服系統:伺服電機、伺服驅動器等工業液壓、氣動及電子器件。原裝正品,全新原裝!質量保證、誠信服務、專業銷售、薄利多銷。信譽好,口碑好,價格低,貨期短,常規部分備有現貨,方便用戶應急需要,服務周到!歡迎來電來函咨詢選購!
聯系人:田 雨 (先生)
QQ:894330228
電話:021-60510270
傳真:021-55032832
手機:15021186744
E-mail:894330228@qq.com
網址:http://www.yxkepu.cn
地址:上海市嘉定區德富路1211號左岸香堤205室